
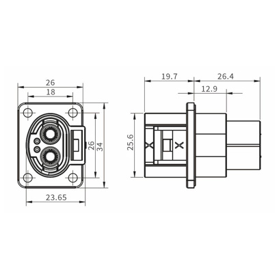
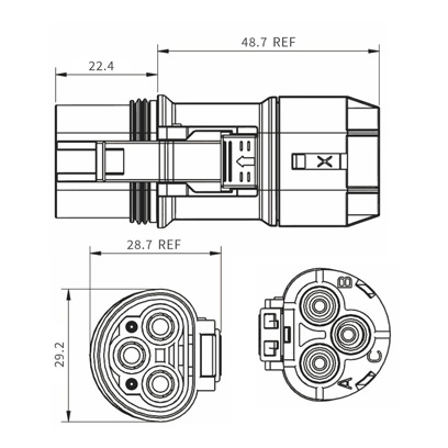
¸Ã²úƷΪ½ðÊôÍâ¿ÇÅþÁ¬Æ÷£¬£¬£¬£¬£¬£¬£¬Ìå»ýС£¡£¡£¡£¡£¡£¡£¡£¬£¬£¬£¬£¬£¬£¬ÆÁÕÏЧ¹ûÓÅÓÚËܽºÍâ¿ÇÀà²úÆ·¡£¡£¡£¡£¡£¡£¡£¡£¸Ã²úÆ·2о¡¢3оºÍ4оϸÃÜÐÍÉè¼ÆÄܸüºÃ˳ӦÏÁÕ¿Õ¼äµÄÓ¦Óᣡ£¡£¡£¡£¡£¡£¡£
HPL36ϵÁÐÅþÁ¬Æ÷ÊÇÕë¶ÔÐÂÄÜÔ´Æû³µÖÐСµçÁ÷Ó¦Óÿª·¢µÄÒ»¿î¼Æ»®¡£¡£¡£¡£¡£¡£¡£¡£Ö÷ÒªÓ¦ÓÃÔÚPDU¡¢¿Õµ÷¡¢PTC¡¢DC/DC¡¢Óͱá¢Æû±Ã¡¢³ý˪¡¢Âý³äµÈ×°±¸ÉÏ¡£¡£¡£¡£¡£¡£¡£¡£
1¡¢µçÆøÌØÕ÷
¡ö¶î¶¨µçѹ£º800V DC
¡ö¶î¶¨µçÁ÷(ÊÂÇéÇéÐÎζÈ30¡æ)£º
20A(ÊÊÅäµçÀÂ2.5mm?)
25A(ÊÊÅäµçÀÂ4.0mm?)
40A(ÊÊÅäµçÀÂ6.0mm?)
60A(ÊÊÅäµçÀÂ10mm?)
¡ö¾øÔµµç×裺¡Ý2000M¦¸
¡öÄÍ Ñ¹£º2750V AC
2¡¢ÆäËû²ÎÊý
¡ö·À»¤Æ·¼¶£ºIP67
¡öÇéÐÎζȣº-40¡æ¡«+125¡æ
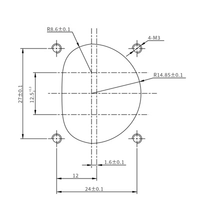
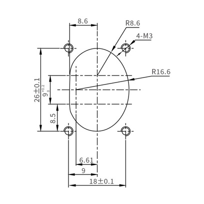
¡öÅþÁ¬Æ÷оÊý£ºÁ½Ð¾¡¢Èýо¡¢ËÄо
¡öÅäÏß¹æ¸ñ£ºÁ½Ð¾2.5¡«10mm?¡¢Èýо¡¢ËÄо2.5~6mm?
¡öµç´ÅÆÁÕÏ£º360¡ãÆÁÕÏ
¡ö»úеÊÙÃü£º¡Ý200´Î
3¡¢ÖÊÁϼ°Íâò´¦Öóͷ£
¡ö¿ÇÌåÖÊÁÏ£ºÐ¿ºÏ½ð
¡ö¿ÇÌåÍâò´¦Öóͷ££º¶ÆÄø»òÆäËû
¡ö¾øÔµÌåÖÊÁÏ£ºPA66
¡ö×èȼƷ¼¶£ºUL94V-0
¡ö²åÕë¼°²å¿×ÖÊÁÏ£ºÍºÏ½ð
¡öÍâò´¦Öóͷ££º¶ÆÒø
¡öÃÜ·âÌ壺¹èÏð½º
Á½Ð¾
| ÐòºÅ | ¶©»õÐͺŠ| ²úÆ·ÐÎò | ÊÊÅäÏßÀ¹æ¸ñ |
| 1 | HPL36-02*-61-2.5 | ²å×ù/ 2о/¸ßѹ»¥Ëø | 2.5mm?·ÇÆÁÕÏÏß |
| 2 | HPL36-02*-61-4 | ²å×ù/ 2о/¸ßѹ»¥Ëø | 4mm?·ÇÆÁÕÏÏß |
| 3 | HPL36-02*-61-6 | ²å×ù/ 2о/¸ßѹ»¥Ëø | 6mm?·ÇÆÁÕÏÏß |
| 4 | HPL36-02*-61-10 | ²å×ù/ 2о/¸ßѹ»¥Ëø | 10mm?·ÇÆÁÕÏÏß |
| 5 | HPL36-62*-61-2.5 | ²åÍ·/ 2о/¸ßѹ»¥Ëø | 2.5mm?ÆÁÕÏÏß |
| 6 | HPL36-62*-61-4 | ²åÍ·/ 2о/¸ßѹ»¥Ëø | 4mm?ÆÁÕÏÏß |
| 7 | HPL36-62*-61-6 | ²åÍ·/ 2о/¸ßѹ»¥Ëø | 6mm?ÆÁÕÏÏß |
| 8 | HPL36-62*-61-10 | ²åÍ·/ 2о/¸ßѹ»¥Ëø | 10mm?ÆÁÕÏÏß |
| 9 | HPL36-02*-60-2.5 | ²å×ù/ 2о/ÎÞ¸ßѹ»¥Ëø | 2.5mm?·ÇÆÁÕÏÏß |
| 10 | HPL36-02*-60-4 | ²å×ù/ 2о/ÎÞ¸ßѹ»¥Ëø | 4mm?·ÇÆÁÕÏÏß |
| 11 | HPL36-02*-60-6 | ²å×ù/ 2о/ÎÞ¸ßѹ»¥Ëø | 6mm?·ÇÆÁÕÏÏß |
| 12 | HPL36-02*-60-10 | ²å×ù/ 2о/ÎÞ¸ßѹ»¥Ëø | 10mm?·ÇÆÁÕÏÏß |
| 13 | HPL36-62*-60-2.5 | ²åÍ·/ 2о/ÎÞ¸ßѹ»¥Ëø | 2.5mm?ÆÁÕÏÏß |
| 14 | HPL36-62*-60-4 | ²åÍ·/ 2о/ÎÞ¸ßѹ»¥Ëø | 4mm?ÆÁÕÏÏß |
| 15 | HPL36-62*-60-6 | ²åÍ·/ 2о/ÎÞ¸ßѹ»¥Ëø | 6mm?ÆÁÕÏÏß |
| 16 | HPL36-62*-60-10 | ²åÍ·/ 2о/ÎÞ¸ßѹ»¥Ëø | 10mm?ÆÁÕÏÏß |
˵Ã÷£º¡°*¡±´ú±í¼ü룬£¬£¬£¬£¬£¬£¬ÓÐX¡¢Y¡¢UÈýÖÖ¼üλѡÔñ¡£¡£¡£¡£¡£¡£¡£¡£
Èýо
| ÐòºÅ | ¶©»õÐͺŠ| ²úÆ·ÐÎò | ÊÊÅäÏßÀ¹æ¸ñ |
| 1 | HPL36-03*-41-2.5 | ²å×ù/ 3о/¸ßѹ»¥Ëø | 2.5mm?·ÇÆÁÕÏÏß |
| 2 | HPL36-03*-41-4 | ²å×ù/ 3о/¸ßѹ»¥Ëø | 4mm?·ÇÆÁÕÏÏß |
| 3 | HPL36-03*-41-6 | ²å×ù/ 3о/¸ßѹ»¥Ëø | 6mm?·ÇÆÁÕÏÏß |
| 4 | HPL36-63*-41-10 | ²åÍ·/ 3о/¸ßѹ»¥Ëø | 2.5mm?ÆÁÕÏÏß |
| 5 | HPL36-63*-41-2.5 | ²åÍ·/ 3о/¸ßѹ»¥Ëø | 4mm?ÆÁÕÏÏß |
| 6 | HPL36-63*-41-4 | ²åÍ·/ 3о/¸ßѹ»¥Ëø | 6mm?ÆÁÕÏÏß |
| 7 | HPL36-03*-40-6 | ²å×ù/ 3о/ÎÞ¸ßѹ»¥Ëø | 2.5mm?·ÇÆÁÕÏÏß |
| 8 | HPL36-03*-40-10 | ²å×ù/ 3о/ÎÞ¸ßѹ»¥Ëø | 4mm?·ÇÆÁÕÏÏß |
| 9 | HPL36-03*-40-2.5 | ²å×ù/ 3о/ÎÞ¸ßѹ»¥Ëø | 6mm?·ÇÆÁÕÏÏß |
| 10 | HPL36-63*-40-4 | ²åÍ·/ 3о/ÎÞ¸ßѹ»¥Ëø | 2.5mm?ÆÁÕÏÏß |
| 11 | HPL36-63*-40-6 | ²åÍ·/ 3о/ÎÞ¸ßѹ»¥Ëø | 4mm?ÆÁÕÏÏß |
| 12 | HPL36-63*-40-10 | ²åÍ·/ 3о/ÎÞ¸ßѹ»¥Ëø | 6mm?ÆÁÕÏÏß |
˵Ã÷£º¡°*¡±´ú±í¼ü룬£¬£¬£¬£¬£¬£¬ÓÐX¡¢Y¡¢UÈýÖÖ¼üλѡÔñ¡£¡£¡£¡£¡£¡£¡£¡£
ËÄо
| ÐòºÅ | ¶©»õÐͺŠ| ²úÆ·ÐÎò | ÊÊÅäÏßÀ¹æ¸ñ |
| 1 | HPL36-04*-41-2.5 | ²å×ù/ 4о/¸ßѹ»¥Ëø | 2.5mm?·ÇÆÁÕÏÏß |
| 2 | HPL36-04*-41-4 | ²å×ù/ 4о/¸ßѹ»¥Ëø | 4mm?·ÇÆÁÕÏÏß |
| 3 | HPL36-04*-41-6 | ²å×ù/ 4о/¸ßѹ»¥Ëø | 6mm?·ÇÆÁÕÏÏß |
| 4 | HPL36-64*-41-10 | ²åÍ·/ 4о/¸ßѹ»¥Ëø | 2.5mm?ÆÁÕÏÏß |
| 5 | HPL36-64*-41-2.5 | ²åÍ·/ 4о/¸ßѹ»¥Ëø | 4mm?ÆÁÕÏÏß |
| 6 | HPL36-64*-41-4 | ²åÍ·/ 4о/¸ßѹ»¥Ëø | 6mm?ÆÁÕÏÏß |
| 7 | HPL36-04*-40-6 | ²å×ù/ 4о/ÎÞ¸ßѹ»¥Ëø | 2.5mm?·ÇÆÁÕÏÏß |
| 8 | HPL36-04*-40-10 | ²å×ù/ 4о/ÎÞ¸ßѹ»¥Ëø | 4mm?·ÇÆÁÕÏÏß |
| 9 | HPL36-04*-40-2.5 | ²å×ù/ 4о/ÎÞ¸ßѹ»¥Ëø | 6mm?·ÇÆÁÕÏÏß |
| 10 | HPL36-64*-40-4 | ²åÍ·/ 4о/ÎÞ¸ßѹ»¥Ëø | 2.5mm?ÆÁÕÏÏß |
| 11 | HPL36-64*-40-6 | ²åÍ·/ 4о/ÎÞ¸ßѹ»¥Ëø | 4mm?ÆÁÕÏÏß |
| 12 | HPL36-64*-40-10 | ²åÍ·/ 4о/ÎÞ¸ßѹ»¥Ëø | 6mm?ÆÁÕÏÏß |
˵Ã÷£º¡°*¡±´ú±í¼ü룬£¬£¬£¬£¬£¬£¬ÓÐX¡¢Y¡¢UÈýÖÖ¼üλѡÔñ¡£¡£¡£¡£¡£¡£¡£¡£
Ñ¡ÐÍ˵Ã÷
| ²úÆ·´úÂë | HPL36 |
| 0 | 0-²å×ù 6-²åÍ· |
| 2 | оÊý£º2-Á½Ð¾ |
| * | ·ÀÎó²å¼üλ£ºX-X¼üλ Y-Y¼üλ U-U¼üλ |
| 61 | 60-²»´ø¸ßѹ»¥Ëø 61-´ø¸ßѹ»¥Ëø |
| 4 | 2.5-ÊÊÅäÏß¾¶2.5mm? 4-ÊÊÅäÏß¾¶4mm? 6-ÊÊÅäÏß¾¶6mm? 10-ÊÊÅäÏß¾¶10mm? |
| N | ½öÏÞ²åÍ·£¬£¬£¬£¬£¬£¬£¬¿Õȱ£ºÆÁÕÏÏß N£º·ÇÆÁÕÏÏß |
| ²úÆ·´úÂë | HPL36 |
| 0 | 0-²å×ù 6-²åÍ· |
| 3 | оÊý£º 3-Èýо 4-ËÄо |
| * | ·ÀÎó²å¼üλ£ºX-X¼üλ Y-Y¼üλ U-U¼üλ |
| 41 | 41-²»´ø¸ßѹ»¥Ëø 40-´ø¸ßѹ»¥Ëø |
| 4 | 2.5-ÊÊÅäÏß¾¶2.5mm? 4-ÊÊÅäÏß¾¶4mm? 6-ÊÊÅäÏß¾¶6mm? |
| N | ½öÏÞ²åÍ·£¬£¬£¬£¬£¬£¬£¬¿Õȱ£ºÆÁÕÏÏß N£º·ÇÆÁÕÏÏß |