
¶àÖÖ·ÀÎó²åÉè¼Æ£¬£¬£¬£¬£¬£¬£¬£¬Íäͷβ²¿¿ÉÕý·´×ªÏò90¡ã£¬£¬£¬£¬£¬£¬£¬£¬Ê¹ÓÃÀú³ÌÖÐÄܹ»ºÜºÃµÄÀû±ã²¼Ïߣ¬£¬£¬£¬£¬£¬£¬£¬ÔÚ½ô´ÕµÄ¿Õ¼äÄÚ£¬£¬£¬£¬£¬£¬£¬£¬ÔöÌíÁ˸ßѹ»¥ËøÉè¼Æ£¬£¬£¬£¬£¬£¬£¬£¬Äܹ»ÔÚ²åºÏÀú³ÌÖÐÆðµ½±£»£»£»£»£»£»¤×÷Óᣡ£¡£¡£¡£¡£
HPL200ϵÁÐÅþÁ¬Æ÷Ö÷ÒªÓ¦ÓÃÔÚ¸ßѹºÐ¡¢µç¿Ø¡¢µç³ØÉÏ¡£¡£¡£¡£¡£¡£
1¡¢µçÆøÌØÕ÷
¡ö ¶î¶¨µçѹ£º1000V DC
¡ö ¶î¶¨µçÁ÷(ÊÂÇéÇéÐÎζÈ30¡æ)£º
80A(ÊÊÅäµçÀÂ16mm?)
120A(ÊÊÅäµçÀÂ25mm?)
150A(ÊÊÅäµçÀÂ35mm?)
200A(ÊÊÅäµçÀÂ50mm?)
¡ö ¾øÔµµç×裺¡Ý2000M¦¸
¡ö ÄÍ Ñ¹£º3000V AC
2¡¢ÆäËû²ÎÊý
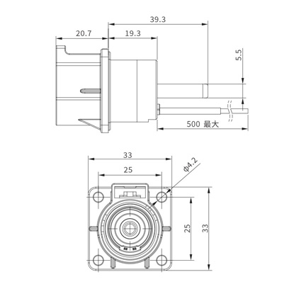
¡ö·À»¤Æ·¼¶£ºIP67
¡öÇéÐÎζȣº-40¡æ¡«+125¡æ
¡öÅþÁ¬Æ÷оÊý£ºµ¥Ð¾
¡öÅäÏß¹æ¸ñ£º16¡«50mm?
¡öµç´ÅÆÁÕÏ£º360¡ãÆÁÕÏ
¡ö»úеÊÙÃü£º¡Ý200´Î
3¡¢ÖÊÁϼ°Íâò´¦Öóͷ£
¡ö¿ÇÌåÖÊÁÏ£ºÍºÏ½ð
¡öÍâò´¦Öóͷ££º¶ÆÒø
¡öÃÜ·âÌ壺¹èÏð½º
²åÍ·ÐͺÅÃ÷ϸ
| ÐòºÅ | ¶©»õÐͺŠ| ²úÆ·ÐÎò | ÊÊÅäÏßÀ¹æ¸ñ |
| 1 | HPL18*-200-16 | ֱͷ*¼üλÎÞ¸ßѹ»¥Ëø²åÍ·-16mm? | 16mm?ÆÁÕÏÏß |
| 2 | HPL18*-200-25 | ֱͷ*¼üλÎÞ¸ßѹ»¥Ëø²åÍ·-25mm? | 25mm?ÆÁÕÏÏß |
| 3 | HPL18*-200-35 | ֱͷ*¼üλÎÞ¸ßѹ»¥Ëø²åÍ·-35mm? | 35mm?ÆÁÕÏÏß |
| 4 | HPL18*-200-50 | ֱͷ*¼üλÎÞ¸ßѹ»¥Ëø²åÍ·-50mm? | 50mm?ÆÁÕÏÏß |
| 5 | HPL28*-200-16 | ÍäÍ·*¼üλÎÞ¸ßѹ»¥Ëø²åÍ·-16mm? | 16mm?ÆÁÕÏÏß |
| 6 | HPL28*-200-25 | ÍäÍ·*¼üλÎÞ¸ßѹ»¥Ëø²åÍ·-25mm? | 25mm?ÆÁÕÏÏß |
| 7 | HPL28*-200-35 | ÍäÍ·*¼üλÎÞ¸ßѹ»¥Ëø²åÍ·-35mm? | 35mm?ÆÁÕÏÏß |
| 8 | HPL28*-200-50 | ÍäÍ·*¼üλÎÞ¸ßѹ»¥Ëø²åÍ·-50mm? | 50mm?ÆÁÕÏÏß |
| 9 | HPL18*-201-16 | ֱͷ*¼üλ´ø¸ßѹ»¥Ëø²åÍ·-16mm? | 16mm?ÆÁÕÏÏß |
| 10 | HPL18*-201-25 | ֱͷ*¼üλ´ø¸ßѹ»¥Ëø²åÍ·-25mm? | 25mm?ÆÁÕÏÏß |
| 11 | HPL18*-201-35 | ֱͷ*¼üλ´ø¸ßѹ»¥Ëø²åÍ·-35mm? | 35mm?ÆÁÕÏÏß |
| 12 | HPL18*-201-50 | ֱͷ*¼üλ´ø¸ßѹ»¥Ëø²åÍ·-50mm? | 50mm?ÆÁÕÏÏß |
| 13 | HPL28*-201-16 | ÍäÍ·*¼üλ´ø¸ßѹ»¥Ëø²åÍ·-16mm? | 16mm?ÆÁÕÏÏß |
| 14 | HPL28*-201-25 | ÍäÍ·*¼üλ´ø¸ßѹ»¥Ëø²åÍ·-25mm? | 25mm?ÆÁÕÏÏß |
| 15 | HPL28*-201-35 | ÍäÍ·*¼üλ´ø¸ßѹ»¥Ëø²åÍ·-35mm? | 35mm?ÆÁÕÏÏß |
| 16 | HPL28*-201-50 | ÍäÍ·*¼üλ´ø¸ßѹ»¥Ëø²åÍ·-50mm? | 50mm?ÆÁÕÏÏß |
˵Ã÷£º¡°*¡±´ú±í¼ü룬£¬£¬£¬£¬£¬£¬£¬ÓÐX¡¢Y¡¢WÈýÖÖ¼ü룬£¬£¬£¬£¬£¬£¬£¬Ã¿ÖÖ¼üλ¶ÔÓ¦Ò»ÖÖÑÕÉ«£ºX-³ÈÉ«£¬£¬£¬£¬£¬£¬£¬£¬Y-ÐþÉ«£¬£¬£¬£¬£¬£¬£¬£¬W-ºìÉ«¡£¡£¡£¡£¡£¡£
²å×ùÐͺÅÃ÷ϸ
| ÐòºÅ | ¶©»õÐͺŠ| ²úÆ·ÐÎò | β²¿¿×¹æ¸ñ | ¶î¶¨µçÁ÷ |
| 1 | HPL00*-200-10M8 | *¼üλÎÞ¸ßѹ»¥ËøÍÅÅÂÝÎÆ¿×M8²å×ù | M8 | 200A |
| 2 | HPL00*-201-10M8 | *¼üλ´ø¸ßѹ»¥ËøÍÅÅÂÝÎÆ¿×M8²å×ù | M8 | 200A |
˵Ã÷£º¡°*¡±´ú±í¼ü룬£¬£¬£¬£¬£¬£¬£¬£¬£¬£¬£¬£¬£¬£¬£¬ÓÐX¡¢Y¡¢WÈýÖÖ¼ü룬£¬£¬£¬£¬£¬£¬£¬Ã¿ÖÖ¼üλ¶ÔÓ¦Ò»ÖÖÑÕÉ«£ºX-³ÈÉ«£¬£¬£¬£¬£¬£¬£¬£¬Y-ÐþÉ«£¬£¬£¬£¬£¬£¬£¬£¬W-ºìÉ«¡£¡£¡£¡£¡£¡£
Ñ¡ÐÍ˵Ã÷
| ²úƷϵÁÐ | HPL |
| 28 | 18´ú±íֱʽ²åÍ· 28´ú±íÍäʽ²åÍ· |
| X | ·ÀÎó²å¼üλ£ºX-X¼üλ ³ÈÉ« Y-Y¼üλ ÐþÉ« W-W¼üλ ºìÉ« |
| 201 | ¸ßѹ»¥Ëø£ºHVIL 200-²»´ø¸ßѹ»¥Ëø 201-´ø¸ßѹ»¥Ëø |
| 50 | ½ÓÏß¹æ¸ñ£º16-ÊÊÅä16ƽ·½ÏßÀ 25-ÊÊÅä25ƽ·½ÏßÀ 35-ÊÊÅä35ƽ·½ ÏßÀ 50-ÊÊÅä50ƽ·½ÏßÀ |
| ²úƷϵÁÐ | HPL |
| 00 | 00-²å×ù |
| X | ·ÀÎó²å¼üλ£ºX-X¼üλ ³ÈÉ« Y-Y¼üλ ÐþÉ« W-W¼üλ ºìÉ« |
| 201 | ¸ßѹ»¥Ëø£ºHVIL 200-²»´ø¸ßѹ»¥Ëø 201-´ø¸ßѹ»¥Ëø |
| 10M | ÍÅÅ¿×ÀàÐÍ£º10M-ÍÅÅÂÝÎÆ¿× |
| 8 | ÂÝÎÆ¹æ¸ñ: M8ÂÝÎÆ¿× |